2d drawings details of Reinforcement structure dwg file
Description
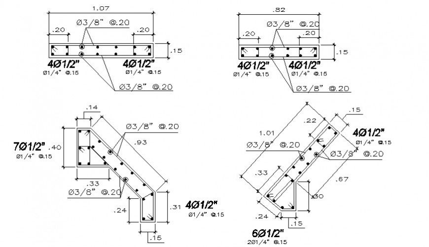
2d drawings details of Reinforcement structure dwg file that includes Reinforcement details in tension and compression zone along with bar dimension details main and distrubution hook up bent up bars details. The structure is a reinforced concrete cement (RCC) structure.
File Type:
DWG
File Size:
—
Category::
Construction
Sub Category::
Reinforced Cement Concrete Details
type:
Gold
Uploaded by:
Eiz
Luna

